Simulinkを使ったPFMの設定方法¶
Example
回路ファイルはサンプル回路TOPページからダウンロードできます。
概要¶
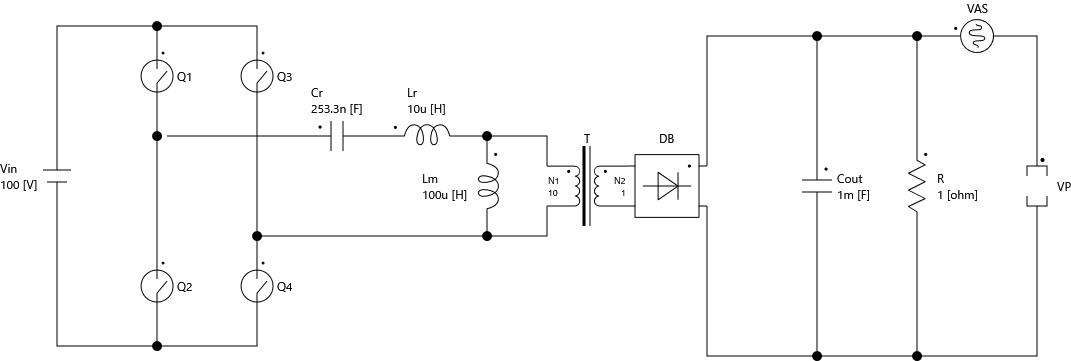
LLCコンバータを例に、ScideamとSimulinkの連成シミュレーション使ってPFM制御を行うサンプル回路です。
Scideamのみで行うPFM制御のサンプル回路についてはさまざまなPFMの設定方法を参照してください。
Simulinkでの周波数変調¶
Example
サンプル回路はこちら:Scideam/SLPalette/sl_pfm/
- llc_frequency_modulated.circuit.scicir
- llc_frequency_modulated.scislc
- llc_frequency_modulated.circuit.cvt2
- llc_frequency_modulated.control.slx
Info
必要オプション:SL Palette


サイディームとSimulinkと連成させて周波数変調を行う例です。
Simulinkで解析を行うと以下のような波形を確認できます。
