シミュレーション中に起こるエラー
シミュレーション中にエラーが起きる、またはシミュレーションが収束せず、極端にシミュレーションに時間がかかる場合は次の項目が原因となっている場合があります。
L、Cに関係する原因
極端なパラメーター値になっている
極端に小さなキャパシタやインダクタが存在する回路で起こるエラーです。
それらの素子の影響が小さいと考えられる場合は取り外し、そうでない場合は、キャパシタやインダクタの値を影響の出ない範囲で大きくしてください。
ダイオードにLが直結されている
シミュレーション速度が極端に遅くなる場合は、直結したLに対して並列に高抵抗を追加してください
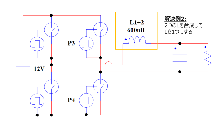
Cの並列接続やLの直列接続や大量のCやLがある回路
C, Lの数はシミュレーション速度に影響します。
Cの並列回路、Lの直列回路は避けて、一つのC、Lにまとめることでシミュレーション速度の向上につながります。
Lに関して離れた場所にあっても、Lの直列回路となっていることがありますので、回路を広く見ることで、エラーの解決につながります。
下記はシミュレーション中にエラーとなる可能性のあるLの接続例とその解決方法となります。
エラーとなる可能性のある接続方法

解決策1 大きな抵抗を並列に接続する

解決策2 2つのLを合成してLを一つとする

トランスに対するLCの不正接続
トランスは理想素子であるため、C、Lの接続の仕方、例えばトランスの両端に接続すると場合によっては不正接続となってしまうことがあります。
回路特性に影響しないようなRをCには直列、Lには並列に追加してください。
オンオフの状態決定に関係する原因
状態決定エラーの確認
状態決定エラーが起こると、メインウィンドウのタイトルにエラー表示されます。
メインウィンドウのタイトルバーにエラー表示が出ていなくても、タイトルバーに表示されている状態数が異常に多かったり、解析時間が長かったりする場合は、状態決定にトラブルがある場合が多いので同様に確認します。
状態決定エラー表示が出たら、 ツールバー内のWindow:Window:StateからStateウインドウを開き、
どのスイッチング素子がエラーを起こしているか確認します。
状態が赤く表示されていればそこが原因です。
ON・OFFを頻繁に繰り返しているスイッチング素子も原因となります。
ツールバー内のView:Option:Stateの Error Trapをチェックして解析するとエラーが起こったところで解析が中断するので、そこで Stateウィンドウ を確認できます。
状態決定エラーの対処法
以下に示す状態決定エラーの原因とその対処法を確認し、回路を修正ください。
ダイオードや抵抗のパラメーター値が適切でない
以下のような時にオンオフの状態決定エラーが発生する場合があります。
1. ダイオードのオフ抵抗(デフォルト:1MΩ)が大きすぎる。
2. 1mΩ以下の小さい抵抗が使用されている。
上記のような場合、ダイオードのオフ抵抗であれば小さく(例:100kΩ程度)、
抵抗の場合では1mΩ以上の影響のない範囲で大きくしてください。
スイッチのドライブ方法で起こる状態決定エラー
次の回路は、P1でQ1をドライブし、P1のON・OFFにしたがってQ1をON・OFFしようとする回路です。
しかし、この回路では状態決定エラーが生じ、メインウィンドウのタイトルバーにエラー表示が出ます。

理由は以下のとおりです。 まず、P1がOFFだとします。
この時、Q1はOFFでR1に電流が流れないので、R1の電圧は0Vです。
次にP1がONになったとします。
すると、Q1のソース・ゲート間には2Vがかかり、一瞬Q1がONしますが、Q1がONするとR1に電流が流れR1の電圧は5V(Q1のオン電圧は無視する)になります。
すると、Q1のソース・ゲート間には2-5=-3Vの電圧がかかりQ1はOFFします。
Q1がOFFになると、R1の電圧が0Vとなって初めの状態に戻り、これらの動作が循環し状態エラー(状態が決定できない)となります。
これを避けるには、P1、Q1のドライブ回路を以下のように修正します。

この回路では、R1の状態に関係なくP1でQ1を確実にドライブでき、状態エラーは解消されます。
このように、スイッチをドライブするときには、ドライブ素子または回路を直接スイッチの端子に接続してください。
スイッチング素子(スイッチやダイオード)が多数存在する場合
スイッチング素子が多数存在する場合は、数値誤差などにより状態決定エラーが生じる場合があります。
この場合、以下のような手順で回避します。
- SwitchのVhysのようにヒステリシス値が設定できる場合は、適当な値を入れてみる。
- スイッチング素子のバイアス電圧部分に小さなCを付加する。
これによりバイアス電圧が落ち着き状態が確定する。
- 増幅動作が必要ない箇所でのMOSFETやトランジスタによるスイッチングは避ける。
スイッチング動作のみのシミュレーションでよい場合にはスイッチ、またはPWMスイッチ素子を用いる。
以前は正常に解析できた回路でエラーが発生したとき
SCALEのバージョンアップにより、回路エラーが強化され、以前は判定されなかったエラーが判定されるようになることがあります。
この場合は表示されたエラーメッセージに従って正しい回路に修正してください。