ウィンドウ機能
エスチャートウィンドウ
エスチャートウィンドウ の各種名称と役割は下記となります。
1.タイトルバー
タイトルバーには下記のような機能があります。
| No. | 名称 | 内容 |
|---|---|---|
| 1 | 最前面に固定 | エスチャートを最前面に固定します。 |
| 2 | メニュー | タイトルバーのメニュー機能を開きます。 |
| 3 | エスチャートについて | エスチャートのバージョン情報や、ライセンスの情報、使用されているライブラリ情報が確認できます。 |
| 4 | 最小化 | エスチャートを最小化します。 |
| 5 | 元のサイズに戻す。/最大化 | エスチャートを元のサイズ、または最大化します。 |
| 6 | 閉じる | エスチャートを閉じます。 |
メニュー機能
| 名称 | 内容 |
|---|---|
| ライトテーマ | エスチャートのテーマをライトテーマにします。 |
| ダークテーマ | エスチャートのテーマをダークテーマにします。 |
| アウターグローエフェクト | ウィンドウのグロー効果を有効にします。 |
| 表示範囲制限の有効化 | チャートに表示する系列データを系列データの最大値までとします。 |
| アンチエイリアシング | アンチエイリアシングを行います。 |
| レンダリング負荷低減(再起動が必要です。) | グラフの描画を間引いて、CPU負荷を低減します。 有効にした後、エスチャートを再起動する必要があります。 |
| オーバービュー遅延スクロール | オーバービュー時のグラフ描画を間引いて、CPU負荷を低減します。 |
| English | エスチャートで使用される言語を英語に変更します。 |
| 日本語 | エスチャートで使用される言語を日本語に変更します。 |
| オンラインサポートページ | ブラウザで、オンラインサポートページを開きます。 |
| オンラインヘルプ | ブラウザで、エスチャートのオンラインヘルプを開きます。 |
| リリースノート | エスチャートのリリースノートを開きます。 |
| Exit | エスチャートを閉じます。 |
*有効になっている設定にはチェックマークが付与されます。
2.ツールバー
ツールバーには下記のような機能があります。
| No. | 名称 | 内容 |
|---|---|---|
| 1 | 開く | エスチャートのファイル形式(.esdb/.e2)のファイルを開きます。 |
| 2 | 保存 | エスチャートのデータを専用ファイル形式(.e2)で保存します。 保存は系列の設定やチャートの配置などの情報も保存されます。 |
| 3 | 新しいチャートを追加 | 新しいチャートを追加します。 |
| 4 | チャートを削除 | 現在選択中のチャートを削除、あるいはすべてのチャートを削除します。 |
| 5 | 周波数解析ウィンドウを追加 | 周波数解析ウィンドウを追加します。 |
| 6 | チャートサイズ | 全てのチャートの高さを一括に指定します。 |
| 7 | 画面に合わせてズーム | X軸、Y軸が全て画面に収まるように全てのチャートのズームを調整します。 |
| 8 | グリッド線 | チャート内のX軸、Y軸のグリッド線の設定を行います。 |
| 9 | グラフ移動操作の制限 | X軸またはY軸を固定してグラフの移動操作を制限できます。 |
| 10 | レンジカーソル | 系列の測定を行うレンジカーソルを表示します。 またカーソルの表示切替、時間の単位、X軸の表示桁数の設定を行うことができます。 |
| 11 | 演算機能 | 系列間演算 、リサンプリング
、フィルタ を使用できます。 |
| 12 | インポート | 他のツールやファイル形式のデータをインポートすることができます。 |
| 13 | エクスポート | エスチャート上のデータをcsvやSpreadsheet形式に出力することができます。 ただし、系列のプロパティなどは出力されません。 |
3.Time Domain Chart
Time Domain Chartは系列データのグラフを表示するウィンドウです。
Time Domain Chartには下記のような機能があります。
| No. | 名称 | 内容 |
|---|---|---|
| 1 | チャートの移動 | チャートを上または下に移動します。 |
| 2 | 系列名 | 現在のチャートに表示されている系列データを表示します。 チェックを外すと非表示にできます。 |
| 3 | オーバービュー | 指定した系列の全ての波形の概略図が表示します。 概略図の内のバーをドラッグすることでチャートの範囲を変更できます。 バーの外側をクリック するか、 バーで囲まれた範囲をドラッグ
することで見たい範囲まで簡単に移動できます。 |
| 4 | オフセット | 時間軸単位を自動変更モードにしている場合は拡大に合わせて単位の上位桁をオフセットとして表示します。 |
| 5 | チャートサイズ | チャートのサイズを変更することができます。 自由にチャートの高さを変更する場合は、 チャートの下部をドラッグ することで行うことができます。 |
チャートの削除について
チャートの削除を行うとチャートが保有していた系列は同時に削除され、PCのメモリ上からも削除されます。
削除は取り消せませんので注意ください。
4.レンジカーソル
レンジカーソルはチャート内の一定範囲内のデータを詳細に分析するための機能です。
レンジカーソルはツールバーのから 10:レンジカーソル をクリックすることで表示できます。
レンジカーソルには下記のような機能があります。
| 名称 | 内容 |
|---|---|
| 1 | レンジカーソルの左端がX1の位置となります。 |
| 2 | レンジカーソルの右端がX2の位置となります。 |
| 3 | 通常のカーソルとなります。カーソルと重なったの位置の時間を表示します。 |
| 4 | レンジカーソルを閉じます。 ツールバーの 10:レンジカーソル を押すことでも閉じることができます。
|
レンジカーソルに表示される値
| 名称 | 内容 |
|---|---|
| X1 | X1の位置の時間を表示します。 |
| X2 | X2の位置の時間を表示します。 |
| オフセット | 時間軸単位をAutoにしている場合は拡大に合わせて単位の上位桁をオフセットとして表示します。 |
| ⊿T | X2とX1の差(レンジカーソルの幅)を表示します。 |
| 1/⊿T | ⊿Tの逆数を表示します。 |
| 統計量 | 選択された系列データについてレンジカーソル内の統計データを表示します。 系列データが選択されていない場合は表示されません。 |
| 最初値 | 選択された系列データについてレンジカーソル内の時間軸におけるY軸最小値を表示します。 |
| 最大値 | 選択された系列データについてレンジカーソル内の時間軸におけるY軸最大値を表示します。 |
| 平均値 | 選択された系列データについてレンジカーソル内の時間軸におけるY軸の平均値を表示します。 |
| RMS | 選択された系列データについてレンジカーソル内の時間軸におけるY軸のRMSを表示します。 |
| P-P値 | 選択された系列データについてレンジカーソル内の時間軸におけるY軸の最大値、最小値の差を表示します。 |
| 積算値 | 選択された系列データについてレンジカーソル内の時間軸におけるY軸について台形則を使用して算出した積算値を表示します。 |
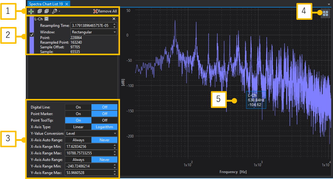
5.周波数解析ウィンドウ
周波数解析ウィンドウは系列データにスペクトル解析を行い、周波数解析をするためのウインドウです。
周波数解析ウィンドウはツールバーの 5:周波数解析ウィンドウを追加 から表示することができます。
周波数解析ウィンドウには下記のような機能があります。
| No. | 内容 |
|---|---|
| 1 | スペクトル解析を行う系列データを追加、詳細の一括展開、一括折り畳み、一括削除を行うことができます。 |
| 2 |
周波数解析ウィンドウに追加された系列データの情報が表示されます。 また周波数解析に使用するパラメータの設定を行います。 詳細は下記の系列データの情報を参照してください。 |
| 3 | スペクトルチャートに関する表示の操作を行います。 操作については下記のスペクトルインスペクターを参照してください。 |
| 4 | スペクトルチャート内に全範囲のデータが収まるようにズームします。 |
| 5 | 周波数解析を行ったあとの系列データが表示されるスペクトルチャートです。 X軸Y軸の自動調整がマニュアルの場合は X軸またはY軸上でドラッグ することで表示範囲を移動できます。 |
系列データの情報
| 名称 | 内容 |
|---|---|
| リサンプリング周期 | 使用するリサンプリング周期を表示します。 矢印で1[μs]単位で変更できます。 また直接数値を入力することもできます。 |
| 窓関数 | スペクトル解析に使用する窓関数の選択を行います。Rectanqular:方形窓
、Hanning:ハン窓 、 Hamming:ハミング窓 、
Blackman:ブラックマン窓 の4種類から選択できます。 |
| データ点数 | スペクトル解析の対象となる系列データのデータ点数を表示します。 |
| リサンプリング後の点数 | リサンプリング後のデータ点数を表示します。 |
| サンプルオフセット | サンプル数のオフセットを表示します。 |
| サンプル数 | フーリエ変換で使用されるサンプル数を表示します。
サンプル数は最大で 65535までとなっており、最大を超えたサンプル数を対象とする場合はサンプル数の最大値に収まるようにリサンプリング周期が変更されます。 |
スペクトルインスペクター
| 名称 | 内容 |
|---|---|
| デジタルライン | Onのとき、データ点間の接続線をデジタル表示にします。 |
| マーカー | Onのとき、データ点を表示します。 |
| デジタル点情報表示 | Onのとき、データ点にオンマウスすることでデータ点の情報を表示します。 |
| X軸タイプ | X軸の表示タイプを線形表示または対数表示とします。 |
| 大きさの変換 | データの大きさを変換します。 正規化、レベル、変換しないを選択できます。 |
| X軸自動調整 | X軸を画面サイズに合わせて自動で調整します。 オートになっている場合はX軸をドラッグして移動させることはできません。 |
| X軸最小値 | X軸の表示範囲の最小値を変更します。 |
| X軸最大値 | X軸の表示範囲の最大値を変更します。 |
| Y軸自動調整 | Y軸を画面サイズに合わせて自動で調整します。 オートになっている場合はY軸をドラッグして移動させることはできません。 |
| Y軸最小値 | Y軸の表示範囲の最小値を変更します。 |
| Y軸最大値 | Y軸の表示範囲の最大値を変更します。 |
系列一覧
系列一覧は系列データを一覧表示するウィンドウです。
系列一覧には下記のような機能があります。
| No. | 内容 |
|---|---|
| 1 | 全てのチャートに含まれる系列データ名を一括展開、一括折り畳みを行います。 |
| 2 | 系列データを検索することができます。 |
| 3 | 系列データを選択すると、切り取り、コピー、削除を行うことができます。 切り取りやコピーした系列データはTime Domain Chart内のチャートに貼り付けることができます。 削除した系列データは元に戻せませんのでご注意ください。 |
| --- |
インスペクター
インスペクターは系列データのプロパティ設定を行うウィンドウです。
インスペクターでは下記のような設定を行うことができます。
X軸
| 名称 | 内容 |
|---|---|
| カーソル | チャート内のカーソルの表示切替を行うことができます。 ツールバーの 10.レンジカーソル
からも変更できます。 |
| レンジカーソル | レンジカーソルの表示切替を行うことができます。 ツールバーの 10.レンジカーソル
からも変更できます。 |
| 時間軸単位 | X軸の単位を設定できます。 Autoの場合は数値に合わせて自動で単位が変更されます。 ツールバーの 10.レンジカーソル からも変更できます。 |
| 表示桁数 | X軸の表示データ桁数を設定できます。 カーソル、レンジカーソル内のX軸に関するデータの桁数も変更されます。 ツールバーの 10.レンジカーソル からも変更できます。 |
| カーソル時間 | カーソル位置の時間を表示します。 この値は時間軸単位に影響されず、詳細に表示されます。 |
| 最小値 | 系列データのX軸最小値を表示します。 この値は時間軸単位に影響されず、詳細に表示されます。 |
| 最大値 | 系列データのX軸最大値を表示します。 この値は時間軸単位に影響されず、詳細に表示されます。 |
| 表示範囲最小値 | 表示範囲のX軸最小値を表示します。 この値は時間軸単位に影響されず、詳細に表示されます。 直接入力、または矢印での増減によって変更が可能です。 |
| 表示範囲最大値 | 表示範囲のX軸最大値を表示します。 この値は時間軸単位に影響されず、詳細に表示されます。 直接入力、または矢印での増減によって変更が可能です。 |
| グリッド線 | X軸のグリッド線を表示します。 |
| 補助グリッド線 | X軸の補助グリッド線を表示します。 |
Y軸
Y軸のプロパティ設定はチャートを選択して行います。
| 名称 | 内容 |
|---|---|
| 表示範囲最小値 | 表示範囲のY軸最小値を表示します。 直接入力、または矢印での増減によって変更が可能です。 |
| 表示範囲最大値 | 表示範囲のY軸最大値を表示します。 直接入力、または矢印での増減によって変更が可能です。 |
| グリッド線 | X軸のグリッド線を表示します。 |
| 補助グリッド線 | X軸の補助グリッド線を表示します。 |
系列
系列のプロパティ設定は系列データを選択して行います。
| 名称 | 内容 |
|---|---|
| チャート名 | 選択されているチャート名が表示されます。 |
| 系列名 | 選択されている系列データ名が表示されます。 |
| 単位 | 単位名を自由に設定できます。 設定した単位名はTime Domain List内のY軸の数値に付与されます。 |
| 系列表示 | 選択されている系列データを On:表示/Off:非表示 を選択できます。Time Domain List内の系列データのチェックボックスでも同様に選択が可能です。 |
| データ点数 | 選択されている系列データのデータ点数を表示します。 |
| 線の太さ | 選択されている系列データの波形線の太さを変更できます。 |
| 線の色 | 選択されている系列データの波形線の色を変更できます。 |
| マーカー | 選択されている系列データの波形線にデータ点を表示します。 |
| ロールオーバーマーカー | カーソル近傍のデータポイントにマーカーを表示します。 |
| デジタルライン | Onの場合、グラフの2点間を階段状に描画します。Offの場合、グラフの2点間を直線で描画します。 |
統計量
統計量は選択されている系列データの統計データを表示します。
| 名称 | 内容 |
|---|---|
| 最小値 | 選択されている系列データ最小値を表示します。 |
| 最大値 | 選択されている系列データ最大値を表示します。 |
| 平均値 | 選択されている系列データ平均値を表示します。 |
| RMS | 選択されている系列データRMSを表示します。 |
| P-P値 | 選択されている系列データ最大値と最小値の差を表示します。 |
| 積算値 | 選択されている系列データ積分値を表示します。 |







